Введение
Микросхема LF-SP4T-44-LGA представляет собой широкополосный поглощающий РЧ переключатель на четыре положения и одно направление (SP4T) с высокой степенью изоляции между каналами, низкими вносимыми потерями, предназначенный для работы в диапазоне частот 0,1…44 ГГц с вносимыми потерями менее 3,0 дБ и разделением каналов 39 дБ.
Микросхема LF-SP4T-44-LGA размещена в 20-контактном корпусе LGA размером 3 мм x 3 мм, совместимом со спецификацией RoHS.
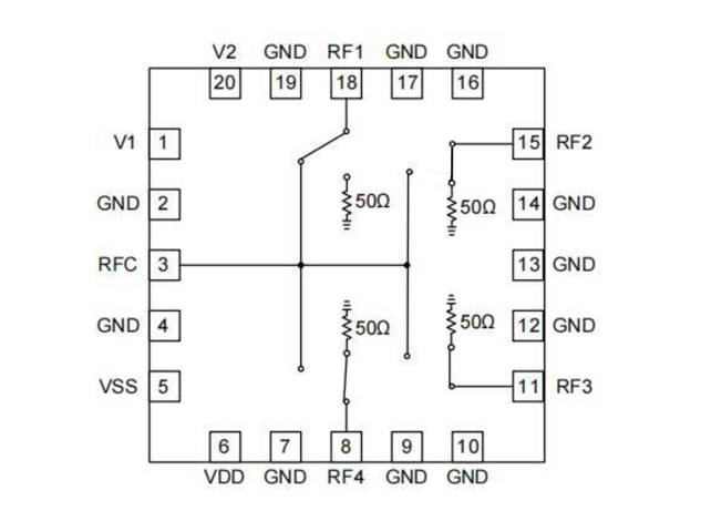
Габаритные размеры LF-SP4T-44-LGA приведены на Рис. 1 и в Таб. 1, а назначение выводов – на Рис. 2 и в Таб. 2.

Рис. 1. Габаритные размеры LF-SP4T-44-LGA
Таб. 1. Габаритные размеры (в мм) LF-SP4T-44-LGA
|
Символ |
мин. |
ном. |
макс. |
|
A |
0,565 |
0,665 |
0,765 |
|
A2 |
0,19 |
0,22 |
0,25 |
|
A3 |
0.445 |
||
|
b |
0,15 |
0,2 |
0,25 |
|
D |
2.9 |
3 |
3,1 |
|
D2 |
1,4 |
1,5 |
1,6 |
|
e |
0,40BSC |
||
|
Ne |
1,60BSC |
||
|
Nd |
1,60BSC |
||
|
E |
2,9 |
3 |
3,1 |
|
E2 |
1,4 |
1,5 |
1,6 |
|
K |
0,5 |
0,6 |
0,7 |
|
L |
0,2 |
0,25 |
0,3 |

Рис. 2. Назначение выводов LF-SP4T-44-LGA
Таб. 2. Назначение выводов LF-SP4T-44-LGA
|
№ вывода |
Обозначение |
Описание |
|
1 |
V1 |
Вход управления 1. Таблица истинности для управляющих напряжений представлена в Таб. 5. |
|
2, 4, 7, 9, 10, 12 to 14, 16, 17, 19 |
GND |
Общая шина. Этот вывод должен быть подключен как к общей РЧ, так и к общей DC шине печатной платы. |
|
3 |
RFC |
Общий входной порт РЧ сигнала. Этот вывод по постоянному току подтянут к шине 0 В, а по переменному току к нагрузочному резистору сопротивлением 50 Ω. При потенциале РЧ линии равном 0 В не требуется развязывающего по постоянному току конденсатора. |
|
5 |
VSS |
Отрицательное напряжение питания. |
|
6 |
VDD |
Положительное напряжение питания. |
|
8 |
RF4 |
Выходной РЧ порт 4. Этот вывод по постоянному току подтянут к шине 0 В, а по переменному току к нагрузочному резистору сопротивлением 50 Ω. При потенциале РЧ линии равном 0 В не требуется развязывающего по постоянному току конденсатора. |
|
11 |
RF3 |
Выходной РЧ порт 3. Этот вывод по постоянному току подтянут к шине 0 В, а по переменному току к нагрузочному резистору сопротивлением 50 Ω. При потенциале РЧ линии равном 0 В не требуется развязывающего по постоянному току конденсатора. |
|
15 |
RF2 |
Выходной РЧ порт 2. Этот вывод по постоянному току подтянут к шине 0 В, а по переменному току к нагрузочному резистору сопротивлением 50 Ω. При потенциале РЧ линии равном 0 В не требуется развязывающего по постоянному току конденсатора. |
|
18 |
RF1 |
Выходной РЧ порт 1. Этот вывод по постоянному току подтянут к шине 0 В, а по переменному току к нагрузочному резистору сопротивлением 50 Ω. При потенциале РЧ линии равном 0 В не требуется развязывающего по постоянному току конденсатора. |
|
20 |
V2 |
Вход управления 2. Таблица истинности для управляющих напряжений представлена в Таб. 5. |
|
|
EPAD |
Открытая контактная площадка. Открытая контактная площадка должна быть подключена к общей шине ПП, как к РЧ, так и к DC. |
Электрические спецификации
В Таб. 3 приведены электрические спецификации микросхемы LF-SP4T-44-LGA при TA=+25℃, Vdd=3,3В, Vss=-3,3В, v1=v2=0/3,3В.
Таб. 3. Электрические спецификации микросхемы LF-SP4T-44-LGA
|
Параметр |
мин. |
тип. |
макс. |
Единицы |
|
|
Частотный диапазон |
|
0,1-44 |
|
ГГц |
|
|
Вносимые потери |
0,1…18 ГГц |
|
1,6 |
|
дБ |
|
18…26 ГГц |
|
2,1 |
|
||
|
26…44 ГГц |
|
3 |
|
||
|
Изоляция |
0,1…18 ГГц |
|
59 |
|
дБм |
|
18…26 ГГц |
|
50 |
|
||
|
26…44 ГГц |
|
39 |
|
||
|
Обратные потери по входу |
|
-16 |
|
дБ |
|
|
Обратные потери по выходу |
Канал выключен |
|
-15 |
|
дБ |
|
Канал включен |
|
-14 |
|
||
|
Уровень P1dB по входу |
|
24,5 |
|
дБм |
|
|
Уровень IP3 по входу |
|
38 |
|
дБм |
|
|
VDD |
3 |
|
5 |
В |
|
|
IDD |
|
0,5 |
|
мА |
|
|
VSS |
-3,6 |
|
-3 |
В |
|
Электрические параметры
В Таб. 4 приведены электрические параметры микросхемы LF-SP4T-44-LGA при TA=+25℃, VDD=3,3V, Vss=-3,3V, v1=v2=0/3,3v.
Таб. 4. Электрические параметры LF-SP4T-44-LGA
|
Параметр |
мин. |
тип. |
макс. |
Единица |
|
|
V1、V2 |
Низкий уровень |
0 |
|
0.3 |
В |
|
Высокий уровень |
3 |
|
3.6 |
||
|
Ток |
|
15 |
|
мкА |
|
|
Время нарастания/спада |
От 10% до 90% выходного РЧ сигнала |
|
0.4 |
|
мкс |
|
Время переключения |
От 50% VCTRL до 10%/90% выходного РЧ сигнала |
|
1.5 |
|
мкс |
|
Входная мощность |
Канал выключен |
|
|
25 |
дБм |
|
Канал включен |
|
|
24 |
||
|
Неравномерность фазы |
|
2 |
|
°C |
|
|
Неравномерность амплитуды |
|
0.1 |
|
дБ |
|
На следующих Рис. 3 – Рис. 9 представлены частотные зависимости основных параметров РЧ переключателей LF-SP4T-44-LGA.


Основы функционирования
Для нормальной работы LF-SP4T-44-LGA необходимо положительное напряжение питания, подаваемое на вывод VDD, и отрицательное напряжение питания, подаваемое на вывод VSS. Для минимизации паразитной РЧ связи на шинах питания рекомендуется использовать блокирующие конденсаторы.
Все РЧ порты (RFC, RF1…RF4) по постоянному току подтянуты к шине 0 В. При потенциале РЧ линий равном 0 В не требуется развязывающего по постоянному току конденсатора. Все РЧ порты нагружены на внутренние резисторы сопротивлением 50 Ω, поэтому внешние нагрузочные цепи не требуются.
В состав LF-SP4T-44-LGA входит драйвер для внутренней реализации логических функций, который предоставляет пользователю преимущества управляющего интерфейса с входными логическими уровнями совместимыми с логикой CMOS/LVTTL. Драйвер предоставляет два входа (V1 и V2), которые управляют прохождением сигнала от входа до одного из четырех выходов. Подаваемые на выводы V1 и V2 логические уровни определяют, какой из РЧ портов будет находится во включенном состоянии, в то время как три других порта будут находиться в состоянии изоляции (Таб. 5).
Конструкция коммутатора является двунаправленной с одинаковыми возможностями управления прохождением сигнала. Входной РЧ сигнал может подаваться на порт RFC или выбранный коммутируемый порт РЧ сигнала. Архитектура микросхемы обеспечивает высокую изоляцию между включенным каналом и остальными РЧ портами.
Последовательность включения микросхемы:
1. Подключение к общей шине GND.
2. Подача напряжений питания VDD и VSS. Напряжение VSS должно подаваться после напряжения VDD для предотвращения переходных процессов по питанию на шине VDD.
3. Подача напряжений на управляющие входы V1 и V2. Подача сигналов на эти управляющие цифровые входы перед подачей напряжения питания VDD может привести к возникновению токов прямого смещения во внутренних структурах защиты от электростатических потенциалов и их повреждению. Для предотвращения этих повреждений, рекомендуется последовательно с управляющими входами подключать резисторы сопротивлением 1 кОм для ограничения входного тока, протекающего через эти входы. Если после подачи напряжения питания VDD выходы управляющего контроллера находятся в высокоимпедансном состоянии а на управляющих выводах отсутствует допустимый логический сигнал, то к управляющим входам V1 и V2 необходимо подключить подтягивающие pull-up или pull-down резисторы для фиксации начального состояния РЧ переключателя.
4. Подача входного РЧ сигнала либо на порт RFC либо на один из портов RF1…RF4.
Последовательность выключения микросхемы является обратной к последовательности включения микросхемы.
Таблица истинности для управляющих входов представлена в Таб. 5.
Таб. 5. Таблица истинности управляющих входов
|
Цифровые уровни на входах управления |
Путь РЧ сигнала |
||||
|
V1 |
V2 |
От RF1 к RFC |
От RF2 к RFC |
От RF3 к RFC |
От RF4 к RFC |
|
Низкий |
Низкий |
Включено |
Выключено |
Выключено |
Выключено |
|
Высокий |
Низкий |
Выключено |
Включено |
Выключено |
Выключено |
|
Низкий |
Высокий |
Выключено |
Выключено |
Включено |
Выключено |
|
Высокий |
Высокий |
Выключено |
Выключено |
Выключено |
Включено |
Заключение
Из приведенных в статье данных следует, что микросхема РЧ переключателя LF-SP4T-44-LGA, обладая достаточной широкополосностью 0,1…44 ГГц, может использоваться в различных классах СВЧ устройств для коммутации сигнальных трактов. Кроме того, стабильность фазы и амплитуды делают микросхему пригодной для использования в измерительных приборах.
Как и большинство микросхем, выполненных по КМОП технологии, LF-SP4T-44-LGA требует особого внимания при монтаже, соблюдении последовательности подачи сигналов на выводы микросхемы и защиты от электростатики.