LT-DPDT-KF-XX-040-D, Коаксиальный переключатель, SPDT, DC-40 ГГц

Купить в 1 клик
Нет в наличии
Описание

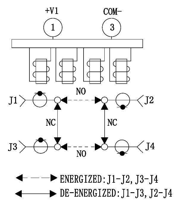
Коаксиальный переключатель LT-DPDT-KF-XX-040-D от Lauftex, как и аналоги других типов, используется для изменения пути сигнала в высокочастотном, сверхвысокочастотном тракте. Такие устройства оптимально подходят при необходимости частых переключений, ручного или автоматического управления оборудованием.

Основные характеристики

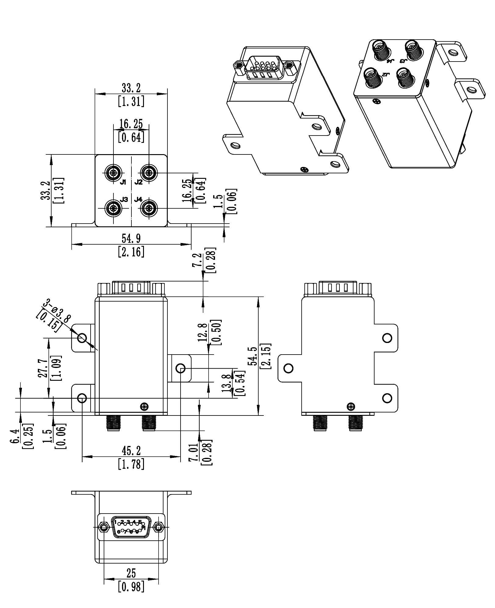
  • Тип соединения: 2.92 (Female) 
  • Максимальное затухание: 50 дБ
  • Время переключения: 15 ms max
  • Диапазон частот: DC до 40 ГГц
  • Номинальное напряжение: 12/ 24 / 28 VDC
  • Температурный диапазон: -25°C до +65°C

Область применения:

  • Конденсаторы с возможностью настройки и переключения рабочего режима;
  • Модуляторы, независимо от типа;
  • Приемники и передатчики радиосигнала;
  • Фильтры;
  • Аттенюаторы.

Преимущества:

  • Высокая точность работы позволяет использовать переключатели в радиолокационных и навигационных комплексах, линиях связи, включая военные;
  • Сохранение базовых характеристик при высоких вибрационных нагрузках;
  • Миниатюрный размер - упрощает установку и исключает дополнительную нагрузку на соседние компоненты. 

Комплектация

  • Коаксиальный переключатель LT-DPDT-KF-XX-040-D
  • Паспорт изделия
  • Гарантийный талон

Даташит: скачать

 

Показать полностью Свернуть
Характеристики
Частота
DC-40GHz
Импеданс
50 Ohms
Режим работы
Отказоустойчивый
Время переключения
15 ms Max
Рабочая температура стандарт
-25°C to +65°C
Синусоидальная вибрация (при работе)
10G RMS, 20-2000HZ
Тип РЧ-разъема
2.92mm Female
Вес
120g Max
Бренд
Lauftex
Категории
Напишите нам
Запрос успешно отправлен!
Имя *
Телефон *
Сообщение *
Предзаказ
Предзаказ успешно отправлен!
Имя *
Телефон *
Заявка
Настоящим подтверждаю, что я ознакомлен и согласен с условиями оферты и политики конфиденциальности.
Оформление заказа
Настоящим подтверждаю, что я ознакомлен и согласен с условиями оферты и политики конфиденциальности.